1、工作原理
本表摒棄傳統的人工手搖發電工作方式,采用先進的中大規模集成電路,應用DC/AC變換技術將三端鈕、四端鈕測量方式合并為一種機型的新型接地電阻測量儀。
工作原理為由機內DC/AC變換器將直流變為交流的低頻恒流,經過輔助接地極C和被測物E組成回路,被測物上產生交流壓降,經輔助接地極P送入交流放大器放大,再經過檢波送入表頭顯示。借助倍率開關,可得到三個不同的量限:0~2Ω,0~20Ω,0~200Ω。
2、使用范圍
本表適用于電力、郵電、鐵路、通信、礦山等部門測量各種裝置的接地電阻以及測量低電阻的導體電阻值;本表還可測量土壤電阻率及地電壓。
3、主要特點
· 結構上采用高強度鋁合金作為機殼,電路上為防止工頻、射頻干擾采用鎖相環同步跟蹤檢波方式并配以開關電容濾波器,使儀表有較好的抗干擾能力。
· 采用DC/AC變換技術將直流變為交流的低頻恒定電流以便于測量。
· 允許輔助接地電阻在0~2KΩ(RC),0~40KΩ(RP)之間變化,不致于影響測量結果。
· 本儀表不需人工調節平衡,3(1/2)位LCD顯示,除測地電阻外,還可測低電阻導體電阻、土壤電阻率以及交流地電壓。
· 如若測試回路不通表頭顯示"1"代表溢出,符合常規測量習慣。
1、使用條件
環境溫度:0℃~+45℃
相對濕度:≤85%RH
2、測量范圍及恒流值(有效值)
電阻:0~2Ω(10mA),2~20Ω(10mA),20~200Ω(1mA)
電壓:AC 0~20V
3、測量精度及分辨率
精度:0~0.2Ω≤±3%±2d
0.2Ω~200Ω≤±5%±2d
1~20V≤±3%±2d
分辨率:0.001Ω、0.01Ω、0.1Ω、0.01V
4、輔助接地電阻及地電壓引起的測量誤差
·允許輔助接地電阻RC(C1與C2之間)
0~20Ω ≤1KΩ
20~200Ω ≤2KΩ
RP(P1與P2之間)<40KΩ 誤差≤±5%
·允許地電壓(工頻有效值)≤5V 誤差≤±5%
5、電源及功耗
最大功率損耗≤2W
直流:8×1.5V(AA,R6)電池
交流:220V/50Hz
6.體積與重量
體積:217mm×217mm×133mm
重量:≤1.8kg
1、接地電阻測量(如圖一)

圖一
· 沿被測接地極E(C2、P2)和電位探針P1及電流探針C1,依直線彼此相距20米,使電位探針處于E、C中間位置,按要求將探針插入大地。
· 用專用導線將地阻儀端子E(C2、P2)、P1、C1與探針所在位置對應聯接。
· 開啟地阻儀電源開關"ON",選擇合適擋位輕按一下鍵該檔指標燈亮,表頭LCD顯示的數值即為被測得的地電阻。
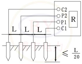
2、土壤電阻率測量(如圖二)

圖二
· 測量時在被測的土壤中沿直線插入四根探針,并使各探針間距相等,各間距的距離為L,要求探針入地深度為L/20cm,用導線分別從C1、P1、P2、C2各端子與四根探針相連接。若地阻儀測出電阻值為R,則土壤電阻率按下式計算:
Ф=2πRL
其中
Ф—土壤電阻率(Ω·cm)
L—探針與探針之間的距離(cm)
R—地阻儀的讀數(Ω)
用此法測得的土壤電阻率可近似認為是被埋入探針之間區域內的平均土壤電阻率。
· 測地電阻、土壤電阻率所用的探針一般用直徑為25mm,長0.5~1m的鋁合金管或圓鋼。
3、導體電阻測量(圖三)

圖三
4、地電壓測量
測量接線如圖一,撥掉C1插頭,E、P1間的插頭保留,啟動地電壓(EV)檔,指示燈亮,讀取表頭數值即為E、P1間的交流地電壓值。
5、測量完畢按一下電源"OFF"鍵,儀表關機。
1、存放保管本表時,應注意環境溫度濕度,應放在干燥通風的地方為宜,避免受潮,應防止酸堿及腐蝕氣體。
2、測量保護接地電阻時,一定要斷開電氣設備與電源連接點。在測量小于1Ω的接地電阻時,應分別用專用導線連在接地體上,C2在外側P2在內側如圖四所示:

圖四
3、測量大型接地網接地電阻時,不能按一般接線方法測量,可參照電流表、電壓表測量法中的規定選定埋插點。
4、測量地電阻時最好反復在不同的方向測量3~4次,取其平均值。
5、本儀表為交直流兩用,不接交流電時,儀表使用電池供電,接入交流時,優先使用交流電。
6、當表頭左上角顯示"-"時表示電池電壓不足,應更換新電池。儀表長期不用時,應將電池全部取出,以免銹蝕儀表。